联系热线

主要特点和参数:
本机床的主轴锥孔可直接或通过附件安装各种圆柱铣刀、圆片铣刀、高度铣刀、成型铣刀、端面铣刀等刀具,用以加工各种平面、斜面、沟柱、凿轮等。 本机床可根据用户的需求改用不同的机床附件,如万能铣头、圆工作台、机械分度头等。
1)工作台尺寸(宽×长)-----------------400×1700毫米
工作台最大纵向行程(手动/机动)----- -900/880毫米
工作台最大横向行程(手动/机动)------------315/300毫米
工作台最大垂向行程(手动/机动)------------380/360毫米
T型槽数------------------------------------------- 3个
T型槽宽度---------------------------------------18毫米
T型槽间距离-------------------------------------90毫米
2)主轴孔径---------------------------------------29毫米
3)部件间主要尺寸
主轴轴线至工作台台面的距离-----------------30 ~ 410毫米
主轴轴线至悬梁底面的距离-----------------------190毫米
床身垂直导轨至工作台中央T形槽中心距离---255~570毫米
4)机动性能
主轴转速级数-------------------------------------18
主轴转速范围-----------------------------30~1500转/分
工作台进给级别数-----------------------------------18
工作台纵向进给量范围---------------23.5~1180毫米/分
工作台横向进给量范围-------------------15~786毫米/分
工作台垂向进给量范围--------------------8~394毫米/分
工作台纵向快速移动速度--------------------2300毫米/分
工作台横向快速移动速度--------------------2300毫米/分
工作台垂向快速移动速度---------------------770毫米/分
5)动力、体积及重量
主传动电动机功率--------------------------------11千瓦
主传动电动机转速-----------------------------1450转/分
进给电动机功率----------------------------------3千瓦
进给电动机转速-------------------------------1420转/分
冷却泵电动机功率-----------------------------0.125千瓦
冷却泵电动机转速-----------------------------2790转/分
机床外形尺寸(长×宽×高)--------2556×2159×1830毫米
机床重量--------------------------------------3850千克
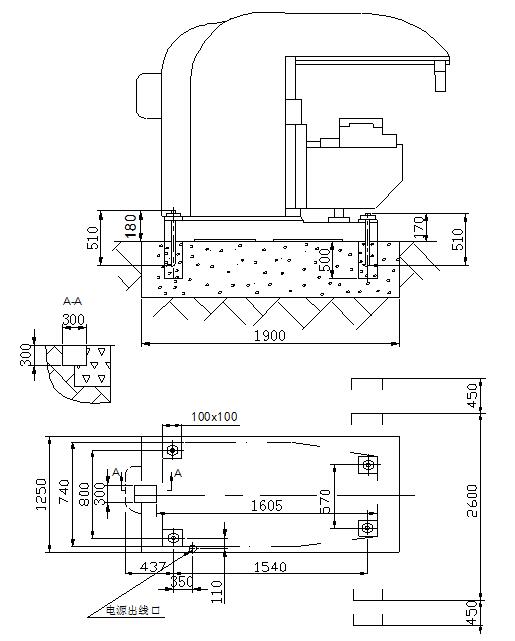
三 机床地基图
四 机床附件
:
| 序 号 | 名 称 | 规 格 | 数 量 | 备 注 |
| 1 | 双头扳手 | 17×19、22×24 27×30、32×36 | 各1件 | S91-1 |
| 2 | 单头扳手 | 14 | 1 | S91-2 |
| 3 | 内六角扳手 | 5、8、10 | 各1件 | S91-7 |
| 4 | 铣床刀杆 | Φ27 | 1 | |
| 5 | 拉杆 | M24×700 | 1套 | B1S63-1 |
| 6 | 机油油枪 | 1 | ||
| 7 | 照明装置 | 装于机床上 | ||
| 8 | 冷却装置 | 装于机床上 |
五 机床保修说明:
凡购买本公司之产品,自购买之日起,皆享有一年之免费保修服务。人为操作不当或天灾不可抗拒之因素造成的损坏将适当收取费用。